Linear Guide Wheels
Guide Wheels
- Double Row Angluar Contact Ball Bearings
- 52100 Bearing Steel or 440 Stainless Steel
- Shielded or Sealed Bearings
- Made in Japan
Order Superior-Quality Components Today
Use the options below to find the products you need. Don’t see what you’re looking for? Contact us or request a quote, and we’ll help you source it with fast turnaround. For dependable pneumatic, hydraulic, and automation products, Universal Power Conversion has you covered.
Linear Guide Wheels Files
Linear guide wheels are precision motion components that guide and support moving assemblies along a fixed rail. Often referred to as linear V-track guide wheels or V-track guide wheels, these components ride on V-shaped rails to deliver stable, controlled linear movement in industrial automation and positioning systems.
Universal Power Conversion supplies linear guide wheels in both stainless steel and hardened steel configurations, allowing engineers to match material selection with environmental requirements. Depending on the application, wheels are available with shielded or sealed bearing designs to help protect internal components from dust, debris, and contaminants.
Contact Universal Power Conversion to discuss availability and application support for our linear V-track guide wheels, or request a quote today. Check out our linear actuators and bearings to unlock the full potential of your automated processes.
This design allows the wheel to support radial loads from vertical weight as well as axial forces created during directional changes or side loading. The integrated double-row angular contact bearing structure improves load distribution and enhances system rigidity compared to standard single-row bearing designs.
Because the bearing arrangement supports forces from multiple directions, V-track guide wheels provide stable motion and consistent tracking, which is critical for precision linear assemblies and automated equipment.
Their ability to support multi-directional loads while maintaining smooth rolling motion makes linear V-track guide wheels a practical solution for compact and durable linear motion designs.
Universal Power Conversion supplies linear guide wheels in both stainless steel and hardened steel configurations, allowing engineers to match material selection with environmental requirements. Depending on the application, wheels are available with shielded or sealed bearing designs to help protect internal components from dust, debris, and contaminants.
Contact Universal Power Conversion to discuss availability and application support for our linear V-track guide wheels, or request a quote today. Check out our linear actuators and bearings to unlock the full potential of your automated processes.
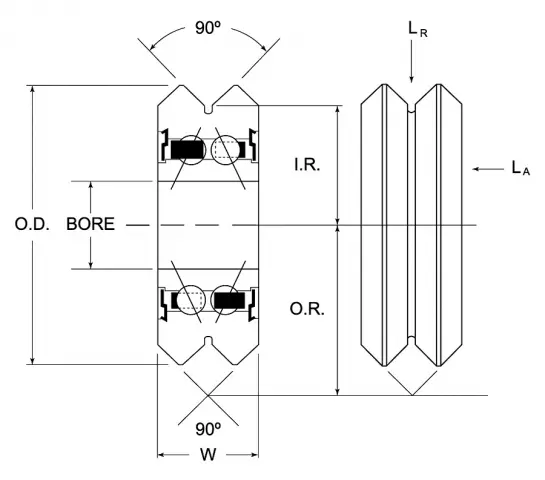
How Do Linear V-Track Guide Wheels Operate?
Linear V-track guide wheels roll along a precision-machined V-shaped rail. The V-groove profile helps center the wheel on the track while maintaining alignment during movement.This design allows the wheel to support radial loads from vertical weight as well as axial forces created during directional changes or side loading. The integrated double-row angular contact bearing structure improves load distribution and enhances system rigidity compared to standard single-row bearing designs.
Because the bearing arrangement supports forces from multiple directions, V-track guide wheels provide stable motion and consistent tracking, which is critical for precision linear assemblies and automated equipment.
Linear Guide Wheels for Radial & Axial Loads
Each wheel utilizes double-row angular contact ball bearings, enabling the guide wheel to handle both radial and axial loads while maintaining smooth rolling motion and consistent alignment. This bearing design supports stable movement even in demanding industrial motion systems.Linear Guide Wheel Applications
Linear guide wheels are commonly used in industrial systems that require guided, repeatable linear movement. Typical applications include:- Automation systems
- Linear motion assemblies
- Material handling equipment
- Packaging machinery
- CNC machines and precision positioning systems
Their ability to support multi-directional loads while maintaining smooth rolling motion makes linear V-track guide wheels a practical solution for compact and durable linear motion designs.